
【廣州★蘭瑟】有賣SUNCELLS PST-100kg稱重傳感器廠家價格【中國★一級經銷商】價格實在,質量保證,SUNCELLS PST-
100kg稱重傳感器多少錢公司供應商,找廣州蘭瑟馬華霞提供詳細信息,歡迎致電供應商電話:020-29045457
咨詢該產品請致電:美國SUNCELLS稱重傳感器中國客戶服務熱線020-29045457
一、PST-100kg中國柯力稱重傳感器型號種類
PST-50kg PST-75KG PST-100KG
PST-150KG PST-200KG PST-700KG
PST-1000KG
二、PST-100kg傳感器的集成化和多功能化
所謂集成化,就是將敏感元件、信息處理或轉換單元以及電源等部分利用半導體技術將其制做在同一芯片上;多功能化則意味
著傳感器具有多種參數的檢測功能,如半導體溫濕敏傳感器、多功能氣體傳感器等。借助于半導體的蒸鍍技術、擴散技術、光
刻技術、精密加工及組裝技術等,使得傳感器的這種發展趨勢得以實現。
三、PST-100kg傳感器一般由三部分組成
傳感器一般由三部分組成:敏感元件、轉換元件、測量電路組成。
其中,能把非電信息轉換成電信號的轉換元件,是傳感器的核心。敏感元件是傳感器預先將被測非電量變換為另一種易于變換
成電量的非電量,然后再變換為電量,如彈性元件。因此,并非所有傳感器都包含這兩部分,對于物性型傳感器,一般就只有
轉換元件;而結構型傳感器就包括敏感和轉換元件兩部分。
測量電路,將轉換元件輸出的電量變成便于顯示、記錄、控制和處理的有用電信號的電路。傳感器的測量電路,經常采用電橋
電路、高阻抗輸入電路、脈沖調寬電路、振蕩電路等特殊電路。
四、PST-100kg傳感器運用范圍
適用于吊鉤秤、配料秤、包裝秤、機電結合秤及專用測力裝置
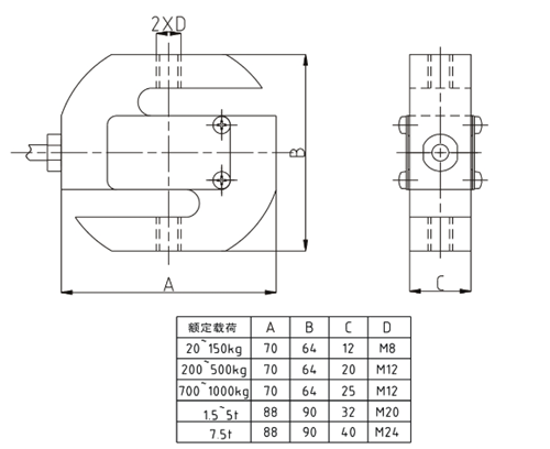
五、結構圖
六、PST-100kg 傳感器產品自拍實拍圖
  
七、PST-100kg 傳感器參數
 
最后更多產品點擊以下鏈接:
Suncells稱重傳感器,美國Suncells
PST-150KG,Suncells PST-150KG稱重傳感器美國
SUNCELLS稱重傳感器,美國SUNCELLS稱重傳感器廠家
PST-100KG,PST-100KG稱重傳感器,美國SUNCELLS PST-100KG傳感器
|