產品型號:PW15AHC3/10KG,PW15AHC3/20KG,PW15AHC3/50KG,PW15AHC3/100KG
產品品牌:德國HBM 稱重傳感器
產品類型:單點式稱重傳感器
產品線制:六線制
德國HBM PW15AHC3/100KG稱重傳感器特性
額定量程Max. capacity: 10 kg, 20 kg, 50 kg, 100 kg
緊致密封 (IP68; IP69K)
高可靠
多量程范圍內的更小檢定分度(vmin)
Interchangeable to products of many manufacturers
材料: 不銹鋼
采用6 線制接法
內置與防護電纜的連接器可選:
不同電纜長度
德國HBM PW15AHC3/100KG稱重傳感器描述
PW15AHC3/100KG, 保護等級為IP69K, - 最高的防護等級。發布了新的單點稱重傳感器 PW15AH, 保護等級為IP69K, - 最高的防護等級, 因此,可以用于高壓清洗機.IP69K 意味著:
最高的防護等級,可以防灰,最高的防護等級,可以防水, 甚至是高壓蒸汽清洗擁有更高 密封性,更高的安全性,當傳感器用于 惡劣環境 時,電纜保護經常被忽視.但是如何防止電纜被化學試劑破壞
PW15AHC3/100KG傳感器提供更好的電纜防護措施,特殊的連接螺紋使連接更方便. PW15AH 的防護等級使其能夠應用于各種惡劣環境中,是在惡劣環境下使用下的最好選擇.
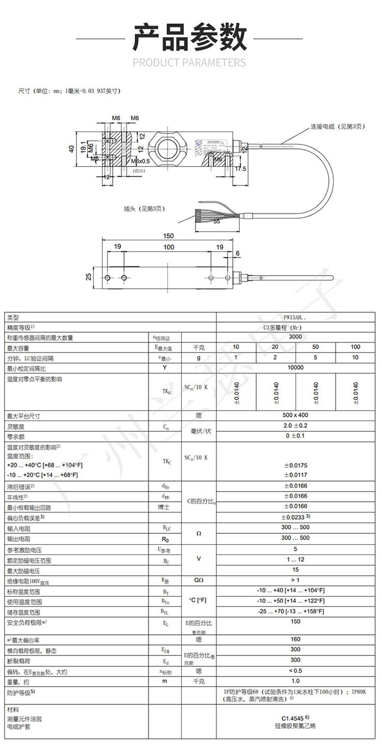
德國HBM PW15AHC3/100KG稱重傳感器產品參數:

德國HBM PW15AHC3/100KG稱重傳感器產品實拍:


除PW15AHC3/100KG其它HBM型號請點擊:
德國HBM★PW12CC3/100KG傳感器
德國HBM★PW15AC3/15KG傳感器
德國HBM★PW10AC3/150KG傳感器
還在為找不到合適的傳感器而煩惱嗎?趕快拿起你的電話,找【廣州蘭瑟電子】德國-HBM品牌一級代理商獲取最新報價和產品相關資訊。有專業的工程師為您提供選型服務及一整套設備安裝指導。
|