“特大好消息”
通過多年的努力,廣州蘭瑟電子獲得了國外知名生產商的信任和支持,全球設有多個采購點,使我司的國際產品供應能力不斷壯大,有著不可超越的優勢。我司與意大利Laumas是多年的合作伙伴,在價格上具有絕對的優勢,保證意大利Laumas原裝進口,附帶防偽證明。
名稱:FTZ-500KG,意大利Laumas FTZ-500KG稱重傳感器
品牌:意大利Laumas稱重傳感器
形狀:剪切梁稱重傳感器
線制:四線制接線,可以直接連接
型號:FTZ-500KG、FTZ--1000KG、FTZ-2000KG、FTZ-5000KG
意大利Lauma FTZ-500KG傳感器特性:
- 17-4PH不銹鋼結構
- 綜合誤差\<+/ - 0.02%
- 防護等級IP67
- ESECUZIONE在ACCIAIO INOX17-4 PH值
- ERRORE COMBINATO\<+/ - 0,02%
- GRADO DI PROTEZIONE IP 67
意大利Lauma FTZ-500KG傳感器參數:
額定輸出:3 mV/V +/- 0.4%
零點溫度影響:0.0018 % / ¡ãC
溫度影響:0.0014 % / ¡ãC
溫度補償范圍:- 10¡ãC / + 40¡ãC
工作溫度范圍:- 35¡ãC / + 65¡ãC
蠕變在額定負載30分鐘后:0.02 %
最大電源電壓而不損壞:18 Volt
輸入電阻:350 ohm +/- 3.5
輸出電阻:350 ohm +/- 3.5
余額為零:+/- 1 %
絕緣電阻:> 5000 Mohm
安全過載范圍(滿量程的百分比):150 %
極限過載范圍(滿量程的百分比): > 300 %
偏轉在額定負載:0.4 mm
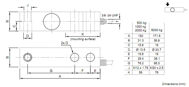
意大利Lauma FTZ-500KG傳感器尺寸:

意大利Lauma FTZ-500KG傳感器接線:
SHIELD
+信號(綠色)
+激勵電壓(紅色)
- 信號(白色)
- 激發(黑)
FTZ-500KG、FTZ--1000KG、FTZ-2000KG、FTZ-5000KG
FTZA-500KG、FTZA-1000KG、FTZA-2000KG、FTZA-5000KG、FTZA-7500KG、FTZA-10000KG
FTL-300kg、FTL-500kg、FTL-1000kg、FTL-2000kg
FTL-300kg、FTL-500kg、FTL-1000kg、FTL-2000kg
FTK-75KG、FTK-150KG、FTK-300KG、FTK-500kg、FTK-1000kg、FTK-2000kg、FTK-3000KG、FTK-5000KG、FTKL-500KG、FTKL-1000KG、FTKL-1500KG、FTKL-2000KG、FTKL-3000KG、FTKL-5000KG
其它LAUMAS稱重傳感器型號請點擊:
意大利Laumas AS-0.25kg稱重傳感器
意大利Laumas CK-1000kg稱重傳感器
意大利Laumas FCL-20kg稱重傳感器
FTZ-500KG傳感器Laumas稱重傳感器100%百分百質量保證【選蘭瑟電子——就是選正品保障】,承諾:“三個月內質量有問題隨時無條件退換貨,退還全部貨款,不收任何費用”。質保兩年,提供免費維護!
|