產品型號:ST-30kg
品牌:意大利CELMI(塞米)
產品類型:稱重傳感器
制 造 商:Italy Celmi S.r.l.
公司簡介:成立于1981年,產品主要有:軸銷式稱重傳感器、彎曲梁稱重傳感器、剪切梁稱重傳感器、拉壓式稱重傳感器、柱壓式稱重傳感器以及相關配套儀表。CELMI Srl公司是在專業的測量和稱重技術的龍頭企業之一。
意大利CELMI通用ST稱重傳感器類型能在小負載能力稱重系統中使用,極性信號是壓縮的使用,除了我們的標準產品,制鞋,自動化,包裝,起重機械,制藥,化工,航空航天,食品等行業,我們能夠提供幾乎每一個特殊的發展 - 適合您的個性化需求。
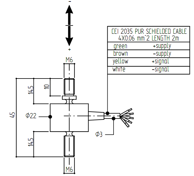
意大利CELMI ST-30kg稱重傳感器尺寸:

Universal load cell TYPE ST can be used in small loading capacity weighing systems.
NOTE:
The polarity signal is for compression use.
During the assembly of accesories, do not expose the load cell to torsion.
Use the ball joint on both side for correct use of load cell.
意大利CELMI ST-30kg稱重傳感器特點:
額定負載:30dN
精度:±1%
輸入阻抗:350Ω
電源電壓:工作電壓8-14
輸出信號:±2mV的/ V
材質:鋁合金
外殼防護:IP67Working
溫度范圍:-10°C - +80°C
意大利CELMI ST-30kg稱重傳感器ELETTROMECHANICS FEATURES:
Universal load cell
Nominal Load: 30dN
Precision: ±1%
Input resistance: 350Ω
Supply voltage: 8-14Vcc
Output signal: ±2mV/V
Material: aluminium alloy
Housing protection: IP67Working
Temperature range: -10°C-+80°C
以上是關于意大利CELMI ST-30kg稱重傳感器資料介紹,如果你對此產品有任何質疑,請撥打中國服務商廣州蘭瑟電子科技有限公司對意大利CELMI ST-30kg稱重傳感器的售前,售中,售后服務。
|