|
|
|
|
|
|
|
|
|
|
| 郵 箱: |
lanse-china@foxmail.com |
|
|
|
|
|
 |
|
|
|
|
| KSBN安裝模塊,意大利Dini argeo KSBN稱重模塊 |
| 發布人:稱重傳感器 發布時間:2014/11/12 17:03:21 點擊量:2376 |
 |
品牌:意大利Dini argeo
類型:單剪切梁傳感器安裝模塊
意大利Diniargeo KSBN稱重模塊產品介紹:
SB系列傳感器專用碳鋼鍍鋅安裝模塊,傳感器搭載在該套件上可安裝在料倉、加料斗或稱重平臺上使用自穩定的球形接頭保證當稱重結構膨脹或形變時,精度仍然可以維持最佳。
意大利Diniargeo KSBN稱重模塊規格參數
碳鋼鍍鋅結構
球形接頭
具有熱膨脹補償及抗橫向沖力功能
安裝簡便
合理的安裝結構使得傳感器達到最佳性能
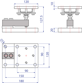
意大利Diniargeo KSBN稱重模塊產品尺寸:
可選型號
型號 說明
KSBN2 碳鋼鍍鋅安裝模塊,供量程300 - 2000kg的SB系列傳感器使用。
防爆證書
型號 說明
DCATEXMECH 防爆合規證書:C2:E46Ex II 2GD X,用于稱重部分防爆聲明,包括防爆傳感器 (每個傳感器必須附有CCATEX證書)。注:此證書僅包含稱重部分,不含稱重顯示器。證書為英文版本。
|
|
|
|
|
|
|
|