【廣州★蘭瑟電子】公司全球供應德國BD SENSORS DMD 341壓力傳感器廠商/供應商/代理服務商價格,中國服務熱線:020-22157170;我們將為您提供德國BD SENSORS壓力傳感器/DMD 341壓力變送器全方位的售前,售中,售后服務。
我們“鄭重提醒”網上交易有風險,不同型號,價格不同,貨期也不同,具體信息務必認準【廣州蘭瑟電子】;撥打全國統一服務熱線020-22157170咨詢!
品牌:德國BD SENSORS壓力變送器,BS SENSORS壓力傳感器
名稱:德國BD SENSORS DMD 341壓力變送器
資料:產品樣本,產品選型,安裝說明書,證書
類別:壓力變送器也叫壓力傳感器
德國BD SENSORS DMD 341壓力變送器特點
差壓 0 ... 6 mbar 至 0 ... 1000 mbar
精度: 0.175 % / 0.5% / 1% FSO BFSL
壓阻式硅傳感器
緊湊堅固的鋁合金殼體
相對和差壓測量
適用于非腐蝕性氣體和壓縮空氣
2線制和3線制電流電壓輸出信號
出色的長期穩定性
可選特點
顯示器和最多2個節點的開關
客戶特殊需求
BD SENSORS 壓力變送器采用不同的傳感器技術,結合不銹鋼和多種塑料殼體,適用于幾乎所有工業氣體和液體。我們的工業壓力變送器有多種電氣接口和壓力接口可供選擇,可滿足幾乎所有應用需求。
德國BD SENSORS DMD 341壓力變送器參數


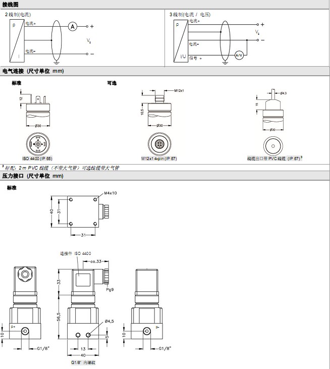
德國BD SENSORS DMD 341壓力變送器尺寸

以上是德國BD SENSORS DMD 341壓力變送器的產品圖片,產品特點,產品參數,產品選型,產品型號,產品尺寸產品介紹等詳細信息,如有任何疑問歡迎來電咨詢相關品牌服裝人。
除DMD 341壓力變送器其它相關型號請點擊
P15壓力傳感器,德國HBM P15壓力傳感器
日本NMB PRC壓力傳感器,PRC壓力傳感器
PFP300壓力傳感器,美國Futek PFP300壓力傳感器
美國Dytran 2005V壓力傳感器,2005V壓力傳感器
6002B壓力傳感器,瑞士Priamus 6002B壓力傳感器
|