【廣州★蘭瑟電子】公司全球供應德國BD SENSORS XMD壓力傳感器廠商/供應商/代理服務商價格,中國服務熱線:020-22157170;我們將為您提供德國BD SENSORS壓力傳感器/XMD壓力變送器全方位的售前,售中,售后服務。
我們“鄭重提醒”網上交易有風險,不同型號,價格不同,貨期也不同,具體信息務必認準【廣州蘭瑟電子】;撥打全國統一服務熱線020-22157170咨詢!
品牌:德國BD SENSORS壓力變送器,BS SENSORS壓力傳感器
名稱:德國BD SENSORS XMD壓力變送器
資料:產品樣本,產品選型,安裝說明書,證書
類別:壓力變送器也叫壓力傳感器
德國BD SENSORS XMD壓力變送器特點
額定量程: 0 ... 75 mbar 至 0 ... 2 bar
本安防爆型
輸出信號:線性或平方根
HART通訊
雙腔鋁合金殼體或不銹鋼外殼
量程比(Turn-Down) 1:10
最大靜過壓 130 bar
不銹鋼隔膜 1.4401
精度: 0.05 % FSO BFSL
耐過壓能力強
可選特點
隔爆型
內置顯示器和操作模塊
與化學密封件連接
BD SENSORS 壓力變送器采用不同的傳感器技術,結合不銹鋼和多種塑料殼體,適用于幾乎所有工業氣體和液體。我們的工業壓力變送器有多種電氣接口和壓力接口可供選擇,可滿足幾乎所有應用需求。
德國BD SENSORS XMD壓力變送器參數



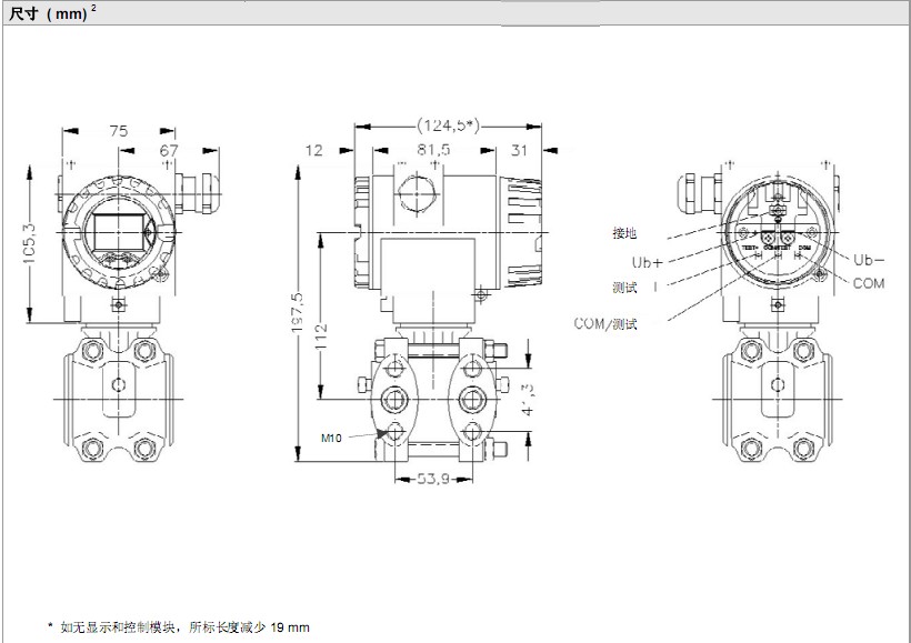
德國BD SENSORS XMD壓力變送器尺寸

以上是德國BD SENSORS XMD壓力變送器的產品圖片,產品特點,產品參數,產品選型,產品型號,產品尺寸產品介紹等詳細信息,如有任何疑問歡迎來電咨詢相關品牌服裝人。
除XMD壓力變送器其它相關型號請點擊
P3MBP/10000BAR,HBM P3MBP壓力傳感器
CCR1B-500K,CCR1B-1T,NMB CCR1B壓力傳感器
PMP924壓力傳感器,美國Futek PMP924壓力傳感器
美國Dytran 2301B3壓力傳感器,2301B3壓力傳感器
PT467XL壓力傳感器,瑞士Priamus PT467XL壓力傳感器
|