廣州蘭瑟電子科技有限公司【一級★代理商】美國ZEMIC BM6G-C3稱重傳感器BM6G-C3(LOADCELL)廠家直銷折扣價格,服務熱線:020-22157650;專業提供美國ZEMIC稱重傳感器BM6G-C3的最新選型和產品資訊。
名稱:BM6G-C3傳感器,美國ZEMIC BM6G-C3稱重傳感器
品牌:美國ZEMIC稱重傳感器
屬性:不銹鋼ZEMIC BM6G-C3稱重傳感器
想了解更多美國zemic的信息請點擊:ZEMIC稱重傳感器了解更多信息
美國ZEMIC BM6G-C3稱重傳感器主要特性:
▲不銹鋼材質,三梁結構,焊接密封,壓向承載。
▲適用于電子計價秤、電子臺秤、皮帶秤及各類電子稱重設備。
▲最大秤臺尺寸:
400x400mm(10kg-50kg)、800x800mm(100kg-500kg)
推薦選擇型號:
|
xxkg
|
C3/C3MR/C4MR/A6S/A6M/B10S/B10M
|
BM6G-xx-xxkg-3B
|
|
xxkg
|
C3/C3MR/C4MR/A6S/A6M/B10S/B10M
|
BM6G-xx-xxkg-3B-S1
|
|
20kg-500kg通過OIML C5級認證及NTEP A6S/A6M/B10S/B10M級認證
10kg-500kg通過OIML C3/C3MR級認證
10kg-50kg通過OIML C4MR級認證
|
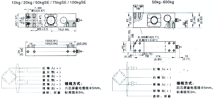
美國ZEMIC BM6G-C3稱重傳感器規格尺寸:

美國ZEMIC BM6G-C3稱重傳感器技術參數:
|
額定載荷
|
kg
|
10/20/50/60/75/100/150/200/300/400/500/600
|
|
精度
|
|
C3
|
C4
|
A6M
|
A6S
|
|
最大檢定分度數
|
n max
|
3000
|
4000
|
|
|
|
最小檢定分度值
|
v min
|
Emax/10000
|
Emax/15000
|
Emax/15000
|
Emax/20000
|
|
綜合誤差
|
(%FS)
|
≤±0.0200
|
≤±0.0173
|
≤±0.0113
|
≤±0.009
|
|
蠕變
|
(%FS/30min)
|
≤±0.0245
|
≤±0.0184
|
≤±0.0184
|
≤±0.008
|
|
溫度對輸出靈敏度的影響
|
(%FS/10℃)
|
≤±0.0117
|
≤±0.0088
|
≤±0.0088
|
≤±0.006
|
|
溫度對零點輸出的影響
|
(%FS/10℃)
|
≤±0.0140
|
≤±0.0093
|
≤±0.0093
|
≤±0.007
|
|
輸出靈敏度
|
(mv/v)
|
2.0±0.2
|
|
輸入阻抗
|
(Ω)
|
10kg/20kg/50kgSE/75kgSE/100kgSE
|
50kg-600kg
|
|
380±15
|
350±3.5
|
|
輸出阻抗
|
(Ω)
|
350±3.5
|
|
絕緣阻抗
|
(MΩ)
|
≥5000(50VDC)
|
|
零點輸出
|
(%FS)
|
≤±2.0
|
|
溫度補償范圍
|
(℃)
|
-10~+40
|
|
允許使用溫度范圍
|
(℃)
|
-35~+70
|
|
推薦激勵電壓
|
(V)
|
5~12(DC)
|
|
最大激勵電壓
|
(V)
|
18(DC)
|
|
安全過載范圍
|
(%FS)
|
150
|
|
極限過載范圍
|
(%FS)
|
300
|
|
推薦安裝扭矩
|
Nm
|
10kg/20kg/50kgSE/75kgSE/100kgSE:10
|
50kg-600kg:20
|
|
防護等級
|
|
IP68/IP69K
|
|
ATEX等級(可選)
|
II 1G Ex ia II 1C T4
|
II 1D Ex iaD20 T73℃
|
II3G Ex nL II C T4
|
【廣州蘭瑟電子】主要代理經銷傳感器類型:稱重傳感器、壓力傳感器、扭矩傳感器、荷元以及變送器、稱重模塊、放大器、接線盒、電子秤、儀表及相關配套附件等。我司與美國ZEMIC公司合作多年,提供完善的售前、售中、售后服務,保證您買得放心,用得安心。
美國ZEMIC BM6G-C3稱重傳感器所有型號:
BM6G-C3-10kg-3B、BM6G-C3-20kg-3B、BM6G-C3-50kg-3B、BM6G-C3-60kg-3B、BM6G-C3-75kg-3B、BM6G-C3-100kg-3B、BM6G-C3-150kg-3B、BM6G-C3-200kg-3B、BM6G-C3-300kg-3B、BM6G-C3-400kg-3B、BM6G-C3-500kg-3B、BM6G-C3-600kg-3B
電話:020-22157650 手機:15322063181
不同規格型號,價格也不同,型號編輯方式是由材質,形狀,精度,量程,線長,線制,電流等要求組成,詳情可咨詢【廣州蘭瑟電子】專業工程師楊帆為您選型。
|